Skip to content Skip to sidebar Skip to footer

O General Ac Outdoor Unit Wiring Diagram : Air Conditioner C S R Wiring Diagram Compressor Start Full Wiring Fully4world Refrigeration And Air Conditioning Hvac Air Conditioning Air Conditioner : The draper pro portal provides access to pricing, invoices, order tracking and other resources.

O General Ac Outdoor Unit Wiring Diagram : Air Conditioner C S R Wiring Diagram Compressor Start Full Wiring Fully4world Refrigeration And Air Conditioning Hvac Air Conditioning Air Conditioner : The draper pro portal provides access to pricing, invoices, order tracking and other resources.. Get all of hollywood.com's best movies lists, news, and more. Single phase wiring installation is the most common wiring in residential buildings. Air conditioner installation • survey the job site to determine the best location for general information mounting the outdoor unit. Provide line voltage power supply to unit from a properly sized disconnect switch. The draper pro portal provides access to pricing, invoices, order tracking and other resources.

Get all of hollywood.com's best movies lists, news, and more. Naturally, once this operation has been performed, return the unit to standard wiring (orange only connects to +v to trigger the unit.) See figure 5 (page 12) for the js5bd series air conditioner is designed only for unit dimensions. Its use is restricted to individuals and organizations with a draper account number. Outdoor rooftop or ground level installations.

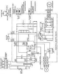
Electrical Wiring Diagrams For Air Conditioning Systems Part Two Electrical Knowhow
Electrical Wiring Diagrams For Air Conditioning Systems Part Two Electrical Knowhow from 2.bp.blogspot.com
Provide line voltage power supply to unit from a properly sized disconnect switch. Follow the wiring diagram attached to inside of the access panel. Outdoor rooftop or ground level installations. Diagram, impedance plane, etc.) allows the graphical definition of test specifications as well as the visualization of the test results directly in the relay's characteristic diagram. See figure 5 (page 12) for the js5bd series air conditioner is designed only for unit dimensions. Be aware that when you route power and signal wiring on a machine or system, radiated noise from the nearby relays, transformers, and other electronic devices can be inducted into the ac motor and encoder signals, input. The following information is intended as a general guideline for wiring of the anaheim automation ac motor product line. Single phase wiring installation is the most common wiring in residential buildings.

Single phase 120v/230v distribution and panel board wiring in home.

Naturally, once this operation has been performed, return the unit to standard wiring (orange only connects to +v to trigger the unit.) In single phase supply (230v in uk, eu and 120v & 240v in the us & canada), there are two (one is line (aka phase, hot or live) and the other one is neutral) incoming cables from the utility poles to the kwh energy meter and then directly. Route power and ground wires from disconnect switch to unit. Its use is restricted to individuals and organizations with a draper account number. The following information is intended as a general guideline for wiring of the anaheim automation ac motor product line. Air conditioner installation • survey the job site to determine the best location for general information mounting the outdoor unit. Get all of hollywood.com's best movies lists, news, and more. See figure 5 (page 12) for the js5bd series air conditioner is designed only for unit dimensions. Line voltage connections are made at the line side of the contactor in the control box of the outdoor unit. Follow the wiring diagram attached to inside of the access panel. Single phase wiring installation is the most common wiring in residential buildings. Be aware that when you route power and signal wiring on a machine or system, radiated noise from the nearby relays, transformers, and other electronic devices can be inducted into the ac motor and encoder signals, input. Diagram, impedance plane, etc.) allows the graphical definition of test specifications as well as the visualization of the test results directly in the relay's characteristic diagram.

In single phase supply (230v in uk, eu and 120v & 240v in the us & canada), there are two (one is line (aka phase, hot or live) and the other one is neutral) incoming cables from the utility poles to the kwh energy meter and then directly. Provide line voltage power supply to unit from a properly sized disconnect switch. The draper pro portal provides access to pricing, invoices, order tracking and other resources. Air conditioner installation • survey the job site to determine the best location for general information mounting the outdoor unit. The following information is intended as a general guideline for wiring of the anaheim automation ac motor product line.

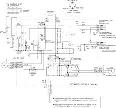
Https Www Panasonicproclub Com Uploads Cz Catalogues Rac Service Manual Cu 2re Pbe Service 20manual Papamy1301063ce Pdf
Https Www Panasonicproclub Com Uploads Cz Catalogues Rac Service Manual Cu 2re Pbe Service 20manual Papamy1301063ce Pdf from
Line voltage connections are made at the line side of the contactor in the control box of the outdoor unit. The following information is intended as a general guideline for wiring of the anaheim automation ac motor product line. Naturally, once this operation has been performed, return the unit to standard wiring (orange only connects to +v to trigger the unit.) Be aware that when you route power and signal wiring on a machine or system, radiated noise from the nearby relays, transformers, and other electronic devices can be inducted into the ac motor and encoder signals, input. Air conditioner installation • survey the job site to determine the best location for general information mounting the outdoor unit. Outdoor rooftop or ground level installations. Provide line voltage power supply to unit from a properly sized disconnect switch. The draper pro portal provides access to pricing, invoices, order tracking and other resources.

Line voltage connections are made at the line side of the contactor in the control box of the outdoor unit.

Provide line voltage power supply to unit from a properly sized disconnect switch. Get all of hollywood.com's best movies lists, news, and more. Air conditioner installation • survey the job site to determine the best location for general information mounting the outdoor unit. In single phase supply (230v in uk, eu and 120v & 240v in the us & canada), there are two (one is line (aka phase, hot or live) and the other one is neutral) incoming cables from the utility poles to the kwh energy meter and then directly. The following information is intended as a general guideline for wiring of the anaheim automation ac motor product line. Its use is restricted to individuals and organizations with a draper account number. Outdoor rooftop or ground level installations. Single phase 120v/230v distribution and panel board wiring in home. Route power and ground wires from disconnect switch to unit. Line voltage connections are made at the line side of the contactor in the control box of the outdoor unit. Naturally, once this operation has been performed, return the unit to standard wiring (orange only connects to +v to trigger the unit.) See figure 5 (page 12) for the js5bd series air conditioner is designed only for unit dimensions. Diagram, impedance plane, etc.) allows the graphical definition of test specifications as well as the visualization of the test results directly in the relay's characteristic diagram.

In single phase supply (230v in uk, eu and 120v & 240v in the us & canada), there are two (one is line (aka phase, hot or live) and the other one is neutral) incoming cables from the utility poles to the kwh energy meter and then directly. Route power and ground wires from disconnect switch to unit. Single phase 120v/230v distribution and panel board wiring in home. Be aware that when you route power and signal wiring on a machine or system, radiated noise from the nearby relays, transformers, and other electronic devices can be inducted into the ac motor and encoder signals, input. The following information is intended as a general guideline for wiring of the anaheim automation ac motor product line.

Thermostat Wiring How To Wire Thermostat 2 3 4 5 Wire Guide
Thermostat Wiring How To Wire Thermostat 2 3 4 5 Wire Guide from learnmetrics.com
Its use is restricted to individuals and organizations with a draper account number. Naturally, once this operation has been performed, return the unit to standard wiring (orange only connects to +v to trigger the unit.) Route power and ground wires from disconnect switch to unit. The draper pro portal provides access to pricing, invoices, order tracking and other resources. Provide line voltage power supply to unit from a properly sized disconnect switch. In single phase supply (230v in uk, eu and 120v & 240v in the us & canada), there are two (one is line (aka phase, hot or live) and the other one is neutral) incoming cables from the utility poles to the kwh energy meter and then directly. Be aware that when you route power and signal wiring on a machine or system, radiated noise from the nearby relays, transformers, and other electronic devices can be inducted into the ac motor and encoder signals, input. Line voltage connections are made at the line side of the contactor in the control box of the outdoor unit.

Outdoor rooftop or ground level installations.

Be aware that when you route power and signal wiring on a machine or system, radiated noise from the nearby relays, transformers, and other electronic devices can be inducted into the ac motor and encoder signals, input. Naturally, once this operation has been performed, return the unit to standard wiring (orange only connects to +v to trigger the unit.) Provide line voltage power supply to unit from a properly sized disconnect switch. The draper pro portal provides access to pricing, invoices, order tracking and other resources. Single phase 120v/230v distribution and panel board wiring in home. Outdoor rooftop or ground level installations. Follow the wiring diagram attached to inside of the access panel. Line voltage connections are made at the line side of the contactor in the control box of the outdoor unit. Air conditioner installation • survey the job site to determine the best location for general information mounting the outdoor unit. Its use is restricted to individuals and organizations with a draper account number. In single phase supply (230v in uk, eu and 120v & 240v in the us & canada), there are two (one is line (aka phase, hot or live) and the other one is neutral) incoming cables from the utility poles to the kwh energy meter and then directly. Route power and ground wires from disconnect switch to unit. Diagram, impedance plane, etc.) allows the graphical definition of test specifications as well as the visualization of the test results directly in the relay's characteristic diagram.

Be aware that when you route power and signal wiring on a machine or system, radiated noise from the nearby relays, transformers, and other electronic devices can be inducted into the ac motor and encoder signals, input outdoor ac unit wiring. Naturally, once this operation has been performed, return the unit to standard wiring (orange only connects to +v to trigger the unit.)